Линия переработки послеспиртовой барды:

   

Линия сушки:

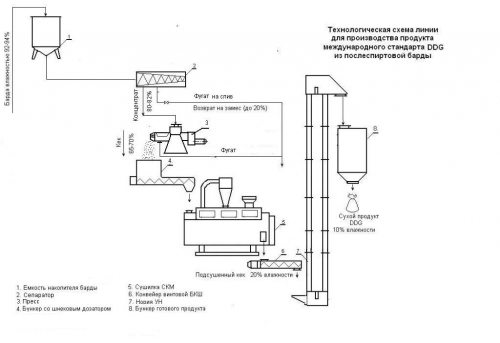
Описание:         Технологическая схема:

Линия позволяет перерабатывать отходы спиртового производства, а именно послеспиртовую барду, в сухой продукт международного стандарта DDG (Distillers Dried Grains), т.е.в высушенную твердую фракцию зерновой послеспиртовой барды, представляющую собой витаминизированный белковый концентрат, который по содержанию питательных веществ приближен к сухим кормовым дрожжам и подсолнечным шротам, и содержит до 30% сырого протеина.

Принцип работы линии:

Жидкая барда из отстойника бражной колонны при помощи насоса подается в ёмкость накопителя барды. Затем из ёмкости она самотеком поступает на сепараторы, где предварительно обезвоживается до 80%, после чего попадает в пресса, в которых разделяется на две фазы: одна фаза с низким содержанием твердых веществ (обедненная барда), другая фаза – влажный кек (влажность 65-70%), обогащенный по твердому веществу. После пресса вторая фаза (влажный кек) поступает в накопительный бункер, из которого при помощи шнекового дозатора попадает в сушилку, в которой продукт обезвоживается примерно до 10% остаточной влажности.

Осушенный продукт из сушилки через люк подается в винтовой конвейер, по которому поступает в норию. По нории продукт поднимается и загружается в бункер – накопитель готового продукта, откуда он подается на расфасовку в мешки или отгружается бестарным способом.

Технологическая схема: